欢迎您访问思政资源库!
中唐方德官网 | 思政直播
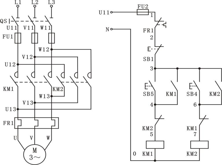
三相异步电动机正反转控制电路

三相异步电动机正反转控制电路

4043
0
展开
下载
收藏
版权说明

发布日期:2021-11-15

true

来源:吉林交通职业技术学院

作者:孙江波

简介:
三相异步电动机正反转控制电路。

适用专业(1)

    高职(1):

  • 工业机器人技术
  • 展开

适用课程(1)

  • C语言编程设计
  • 展开
版权说明及权利通知
加入资源库VIP 本文免费下载
2万VIP文档下载
海量文档免费下载
付费资源7折起
专属客服服务
仅需0.6元/天
开通VIP
继续阅读
VIP用户可继续阅读

相关思政元素

收藏
版权说明
下载
VIP专享文档
付费资源7折起
专属客服服务
仅需0.6元/天
立即开通