欢迎您访问思政资源库!
中唐方德官网 | 思政直播
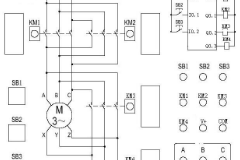
PLC电机控制视频

PLC电机控制视频

1503
0
展开
下载
收藏
版权说明

发布日期:2022-04-23

true

来源:广西现代职业技术学院

作者:涂翔宇

简介:
本课程是机械类专业的专业基础课程,本课程的先修课程:《电工电子基础》、《机 械制图与CAD》:它的后续课程是《数控机床故障与诊断与维修》《数控铣削与加工中 心技术》《数控车床编程与探作》等。课程的学习可强化学生对电气自动化控制、机电 控制技术的认识和了解,强化学生的技能操作(软件编程、调试、故障排除)能力, 与后续课程的学习形成良好的对接,也为今后在职业岗位上从事电气自动化技术的实 施莫定坚实的能力基础。

适用专业(2)

    高职(2):

  • 机械制造及自动化机电一体化技术
  • 展开

适用课程(1)

  • 机床电气控制与PLC
  • 展开
版权说明及权利通知
加入资源库VIP 本文免费下载
2万VIP文档下载
海量文档免费下载
付费资源7折起
专属客服服务
仅需0.6元/天
开通VIP
继续阅读
VIP用户可继续阅读

相关思政元素

收藏
版权说明
下载
VIP专享文档
付费资源7折起
专属客服服务
仅需0.6元/天
立即开通